阿摩線上測驗 登入

試題詳解

試卷:115年 - 第10章 交流電功率:10-8 國考試題#138027 | 科目:泉勝◆基本電學(下冊)

試卷資訊

試卷名稱:115年 - 第10章 交流電功率:10-8 國考試題#138027

年份:115年

科目:泉勝◆基本電學(下冊)

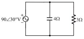
52. 如右圖,該電路之功率因數 P.F 為? 台中捷運 111

(A)
(B)
(C)0.6
(D)0.8

正確答案:登入後查看