阿摩線上測驗 登入

試題詳解

試卷:114年 - 114 全國高級中等學校學生技藝競賽考試_工業類:工業電子#137982 | 科目:國中技藝-工業電子組

試卷資訊

試卷名稱:114年 - 114 全國高級中等學校學生技藝競賽考試_工業類:工業電子#137982

年份:114年

科目:國中技藝-工業電子組

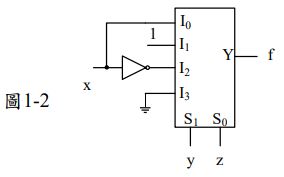
2. 圖 1-2 所示,下列何者正確?


(A) f( x , y ,z) =∑( 1, 2, 4, 5 )
(B) f( x , y ,z) =∑( 1, 3, 4, 5 )
(C) f( x , y ,z) =∑( 1, 2, 3, 4 )
(D) f( x , y ,z) =∑( 1, 4, 6, 7 )

正確答案:登入後查看