阿摩線上測驗
登入
首頁
>
機械設計
> 99年 - 99 地方政府特種考試_三等_機械工程:機械設計#31728
99年 - 99 地方政府特種考試_三等_機械工程:機械設計#31728
科目:
機械設計 |
年份:
99年 |
選擇題數:
0 |
申論題數:
5
試卷資訊
所屬科目:
機械設計
選擇題 (0)
申論題 (5)
一、一平皮帶裝於兩皮帶輪上,兩皮帶輪之外徑分別為 D=200 mm 與 d =100 mm,兩軸 心之距離為 C=400 mm,試推導交叉帶長度與開口帶長度之式,並求兩長度之差距 值。(25 分)
二、一裝有封閉氣體之薄壁圓柱,其內徑 D 為 100 mm,壁厚 t 為 1 mm,氣體之壓力為 1 kPa,試求壁上之主應力與最大剪應力。(25 分)
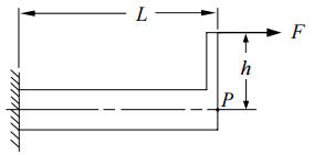
【已刪除】三、一樑承受一水平拉力 F,如圖所示,長度 L>>長度 h,試以卡氏提格諾理論 (theorem of Castiglino),列舉假設條件,求 P 點於垂直方向之變形量。(25 分)
⑴繪修正格曼圖(modified Goodman diagram)。(10 分)
⑵求單方向負載(uni-directional loading or released loading)之疲勞應力(endurance stress)。(15 分)