阿摩線上測驗
登入
首頁
>
機械設計
> 98年 - 98 原住民族特種考試_四等_機械工程:機械設計概要#38165
98年 - 98 原住民族特種考試_四等_機械工程:機械設計概要#38165
科目:
機械設計 |
年份:
98年 |
選擇題數:
0 |
申論題數:
4
試卷資訊
所屬科目:
機械設計
選擇題 (0)
申論題 (4)
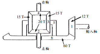
【已刪除】一、下圖所示為一汽車差速器,輸入軸之轉速ω1=750 rpm逆時針方向旋轉(從右向左看 ),若將左輪固定即ω2=0,試求右輪之轉速ω4為若干?(15 分)若遇到天雨路滑時 ,該差速器的運動狀況如何?(10 分)
【已刪除】二、軸系之受力狀況如下圖所示,其軸承為滑動軸承,軸承之容許壓力為 6 kg/cm
2
,而 直徑為 40 mm,若左右軸承均用同一軸承,則軸承之長度為多少時,方能滿足支持 100 kg外力之要求?(25 分)
三、請舉出一種用於自行車的煞車器,並繪圖說明其作動原理。另,請說明設計該煞車 器時,有那些方法可以提高其煞車力。(25 分)
四、一皮帶傳動裝置之皮帶輪直徑為 400 mm,緊邊張力為 4000 N,鬆邊張力為 600 N, 轉速為 800 rpm,請問其傳送之動力為若干?(25 分)