阿摩線上測驗
登入
首頁
>
機械設計
> 98年 - 98 原住民族特種考試_三等_機械工程:機械設計#38164
98年 - 98 原住民族特種考試_三等_機械工程:機械設計#38164
科目:
機械設計 |
年份:
98年 |
選擇題數:
0 |
申論題數:
8
試卷資訊
所屬科目:
機械設計
選擇題 (0)
申論題 (8)
【已刪除】一、請依下圖計算輸出軸 F 之轉速及方向?(25 分)
【已刪除】二、下圖所示為一軸裝置在軸承 O 及 C 上,有兩個皮帶輪分別置於 A 與 B 兩點。該軸 是由 AISI1018 熱輥軋鋼(Hot-rolled steel)製成,其降伏強度為 220 MPa,請問軸 的直徑至少需若干?(25 分)
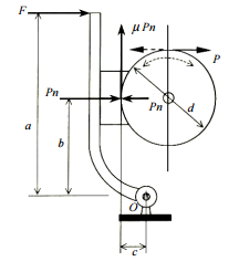
【已刪除】三、下圖為一塊狀制動器之示意圖,請說明當制動鼓輪順時針旋轉還是反時針旋轉, 該制動器有自鎖的功能;當 c 值為若干時會有自鎖現象發生?圖中 a=60 mm, b=40 mm,d=100 mm,µ=0.35。(25 分)
⑴齒輪的基本定律(Fundamental law of gearing)
⑵ S-N 曲線(提示:計算疲勞破壞時使用)
⑶液動軸承(Hydrodynamic bearing)
⑷滾珠軸承的L10壽命
⑸應力集中,請舉例說明