阿摩線上測驗
登入
首頁
>
高等工程力學(包括材料力學)
> 98年 - 98 公務升官等考試_簡任_土木工程、結構工程:高等工程力學研究(包括材料力學)#33516
98年 - 98 公務升官等考試_簡任_土木工程、結構工程:高等工程力學研究(包括材料力學)#33516
科目:
高等工程力學(包括材料力學) |
年份:
98年 |
選擇題數:
0 |
申論題數:
4
試卷資訊
所屬科目:
高等工程力學(包括材料力學)
選擇題 (0)
申論題 (4)
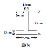
【已刪除】考慮一延伸長度的簡支梁(extended simply supported beam)如下圖(a)所示,
支撐中間點有集中載重 4.5kN,延伸部分有均勻載重 2kN/m,AB 長度 2.5m,BC 長度 1.5m。A 點為鉸支撐(hinge),B 點為滾支撐(roller)。 ABC 梁的斷面如下圖(b)所示,
計算以下各問題: 一、計算支撐點 A 和 B 的反力(reaction forces),需要明確標出正負值方向。(20 分)
二、計算並畫出 ABC 梁的剪力圖(shear diagram)和彎矩圖(moment diagram),需要 明確標出正負值方向。(30 分)
三、計算並標出所給定斷面的形心位置,同時計算對斷面形心的慣性力矩(area moment of Inertia)。(20 分)
四、計算 ABC 梁斷面的最大張應力(tensile stress)和最大壓應力(compressive stress)。 (30 分)