阿摩線上測驗
登入
首頁
>
升資考/士級晉佐級◆電工原理大意
> 97年 - 97 交通事業鐵路升資考試_士級晉佐級_技術類:電工原理大意#38401
97年 - 97 交通事業鐵路升資考試_士級晉佐級_技術類:電工原理大意#38401
科目:
升資考/士級晉佐級◆電工原理大意 |
年份:
97年 |
選擇題數:
0 |
申論題數:
7
試卷資訊
所屬科目:
升資考/士級晉佐級◆電工原理大意
選擇題 (0)
申論題 (7)
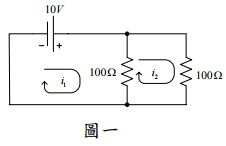
【已刪除】一、試用克希荷夫定律求圖一之電流i
1
和i
2
?(15 分)
二、真空的導磁係數為4 π ×10
− 7
Wb A⋅m /,某磁鐵棒以相對導磁係數為 100 的鐵磁材料 製成,此磁鐵棒的截面積為5cm
2
,當磁鐵棒內的磁通量等於1 Wb(韋伯)的時候, 求磁鐵棒內的磁通密度和磁場強度?(10 分)
【已刪除】三、寫出圖二的電器元件名稱並簡述其特性。(15 分)
【已刪除】四、求圖三之電壓值V
1
、V
2
、V
3
、V
4
?(15 分)
五、某三相平衡 Y 接 60Hz 交流電路,線電流為 50A,線電壓為 350V,求其相電壓和相電 流?(10 分)
六、繪圖說明直流複激發電機的電路構造,並說明其中各元件的作用。(15 分)
七、電路或用電設備之接地是用電安全的重要措施,針對人員的安全,接地可以分為三 種類型,請列舉這三種接地類型並說明其目的和使用方法。(20 分)