阿摩線上測驗
登入
首頁
>
基本電學(概要)
> 95年 - 95 身心障礙特種考試_四等_電子工程:基本電學#50430
95年 - 95 身心障礙特種考試_四等_電子工程:基本電學#50430
科目:
基本電學(概要) |
年份:
95年 |
選擇題數:
0 |
申論題數:
5
試卷資訊
所屬科目:
基本電學(概要)
選擇題 (0)
申論題 (5)
一、設有一正方形,每邊及中心點(即兩對角線之交點)至四頂點間之電阻均為 R,試 求對角線(通過正方形中心點)上兩對頂點間之等效電阻。(20 分)
二、試詳述歐姆定律(Ohm’s Law)。(20 分)
三、有一 RLC 並聯電路,R=100 Ω,L = 2 mH,C = 20 µF,若發生諧振,試求品質因素及 頻帶寬。(20 分)
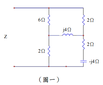
【已刪除】四、如(圖一)所示,試求總阻抗 Z。(20 分)
【已刪除】五、如(圖二)所示,試求電流 I。(20 分)
相關試卷
114年 - 114 關務特種考試_四等_電機工程(選試英文):基本電學#126651
114年 · #126651
113年 - 113 關務特種考試_四等_電機工程(選試英文)、電機工程(選試日文):基本電學#119481
113年 · #119481
112年 - 112 地方政府特種考試_四等_電力工程、電子工程、電信工程:基本電學#118330
112年 · #118330
112年 - 112 普通考試_電力工程、電子工程、電信工程:基本電學#115756
112年 · #115756
112年 - 112 關務特種考試_四等_電機工程:基本電學#113949
112年 · #113949
111年 - 111 地方政府特種考試_四等_電力工程、電子工程、電信工程:基本電學#112594
111年 · #112594
111年 - 111 中華郵政股份有限公司_職階人員資產營運及工程類科甄試試題_專業職(一)/電力工程:基本電學#111525
111年 · #111525
111年 - 111 普通考試_電力工程、電子工程、電信工程:基本電學#109349
111年 · #109349
111年 - 111 關務特種考試_四等_電機工程:基本電學#107497
111年 · #107497
111年 - 111 身心障礙特種考試_四等_電子工程:基本電學#107486
111年 · #107486