所屬科目:電子學
1.電子學未來發展將朝向下列何種趨勢? (A)高密度、高消耗功率 (B)高密度、低消耗功率 (C)低密度、高消耗功率 (D)低密度、低消耗功率
2.下列何種二極體其 V-I 特性曲線中具有「負電阻區」特性? (A)發光二極體(LED) (B)光二極體(Photo Diode) (C)蕭特基二極體(Schottky Diode) (D)透納二極體(Tunnel Diode)
3.如【圖 3】所示電路,Rs=400Ω 且使用 16Ω 喇叭,若要達到「阻抗匹配」的效果,則變壓器初級 與次級線圈之圈數比(N1:N2)為何?
(A) 800:20 (B) 220:110 (C) 200:40 (D) 100:32
4.電晶體若工作在飽和區,下列何者錯誤? (A) (B) (C)(D)常應用在數位電路
5.一般直流放大器(DC Amplifier)其交連方式為何? (A)採 RC 耦合 (B)採直接耦合 (C)採電感器耦合 (D)採變壓器耦合
6.有關達靈頓(Darlington)電路特性,下列敘述何者錯誤? (A)溫度特性極佳 (B)電流增益很大 (C)電壓增益小於 1 (D)適合做為緩衝器(Buffer)、電流放大使用
7.下列何者非屬 FET 相對於 BJT 的優點? (A)有極高輸入阻抗 (B)溫度特性佳,不會有熱跑脫現象 (C)單位面積容量大,適合製作 VLSI (D)增益與頻帶寬度乘積大,高頻響應良好
8.能在不需外加任何信號即可產生一連串脈波輸出之振盪器為何? (A)單穩態多諧振盪器 (B)雙穩態多諧振盪器 (C)無穩態多諧振盪器 (D)石英晶體振盪器
9.下列何種積體電路(IC)可以當作定時器(Timer)使用? (A) NE565 (B) NE556 (C) LM324 (D) uA741
10.如【圖 10】所示波形,工作週期(Duty cycle)D 為何?
(A) 33.33% (B) 50.00% (C) 66.67% (D) 100.0%
11.如【圖 11】所示電路,若稽納二極體為理想,且 =6V,若 Vi=12V,則 Vo 為何?
(A) 3V (B) 6V (C) 9V (D) 12V
12.下列何種效應是機械能與電能之轉換? (A)霍爾效應 (B)壓電效應 (C)熱電效應 (D)集膚效應
13.如【圖 13】所示電路,其功能與下列何種電路相同?
(A)共射極放大器 (B)源極隨耦器 (C)非反相放大器 (D)多諧振盪器
14.當溫度上升,二極體障壁電壓由 0.7V 下降成為 0.6V,則漏電流會由 3nA 變為何? (A) 1nA (B) 3nA (C) 24nA (D) 48nA
15.有一矽質半導體,其本質濃度為 、原子密度為,若每 2×109 原子加入一個 受體雜質,請問將轉換成何種外質半導體,且載子濃度為何? (A) N 型半導體,多數載子濃度為 (B) N 型半導體,少數載子濃度為 (C) P 型半導體,多數載子濃度為 (D) P 型半導體,少數載子濃度為
16.下列何者為中心抽頭全波整流濾波電路與橋式全波整流濾波電路之不同處? (A)直流輸出電壓 (B)每個二極體所承受之 PIV 值 (C)漣波因素 (D)輸出波形的頻率
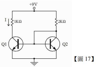
17.如【圖 17】所示電路,若 Q1 與 Q2 電晶體特性相同,β=100,且 =0.7V,則 I 電流為何?
(A) 4.15mA (B) 4.50mA (C) 8.30mA (D) 9.00mA
18.如【圖 18】所示電路,假設二極體為理想,當= -5V 時,則輸出電壓為何?
(A) 3.8V (B) 0V (C) -3.8V (D) -5V
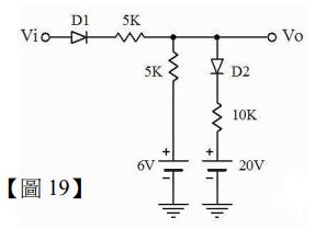
19.如【圖 19】所示截波電路,假設二極體為理想,若 Vi 輸入電壓為 0~50V,請問下列何種二極體 導通(ON)、截止(OFF)狀態是不會發生的?
(A) D1 OFF、D2 OFF (B) D1 OFF、D2 ON (C) D1 ON、D2 OFF (D) D1 ON、D2 ON
20.如【圖 20】所示電晶體反相器(Inverter),二極體 D 為理想、電晶體飽和電壓為 0V,假設輸入電壓 Vi=5V,且電路正常工作,下列敘述何者正確?
(A)二極體 D 導通(ON) (B) =0.33mA (C)=4.09mA (D) 之最小值為 12.2
21.如【圖 21】所示,電晶體在飽和區工作下,若 =0V,請問集極電流為何?
(A) 4.29mA (B) 5.14mA (C) 6.29 mA (D) 7.60mA
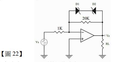
22.如【圖 22】所示,為 OPA 為理想,稽納二極體之稽納電壓=6.3V、順向電壓為 =0.7V,若 =0.6V,請問輸出電壓 為何?
(A) +12V (B) +7V (C) -7V (D) -12V
23.週期性波形之頻率為 5kHZ,則其週期為何? (A) 100μs (B) 200μs (C) 1ms (D) 5ms
24.在純矽中加入少量五價元素,會形成何種元件? (A) P 型半導體 (B) N 型半導體 (C)超導體 (D)絕緣體
25.如【圖 25】所示電路,假設 D 為理想型二極體,則 值為何?
(A) 1V (B) 5V (C) 6V (D) 11V
26.矽二極體在溫度 25℃時之逆向飽和電流為 10nA,若溫度上升至 55℃時,逆向飽和電流變為多少? (A) 30nA (B) 80nA (C) 3.33nA (D) 1.25nA
27.電晶體當開關使用時,當電晶體完全導通,則其: (A) (B) (C) (D)
28.電晶體(BJT)放大電路三組態中,下列何種組態的輸入電壓信號與輸出電壓信號相位相差 180o? (A)共集極組態 (B)共射極組態 (C)共基極組態 (D)共集極與共基極組態均會
29.有一電晶體放大器在工作區時,其 IB = 50μA,IC = 10mA,則 β 值為何? (A) 0.95 (B) 2 (C) 200 (D) 500
30. FET 不具備下列何項元件之功用? (A)開關 (B)放大 (C)電阻 (D)整流
31.如【圖 31】中 OPA 為理想運算放大器 =15V,輸入信號:為三角波,其峰值為 10mV、平均 値為 0,則為何?
(A)峰值為 15V 方波 (B)峰值為 15V 三角波 (C)峰值為 10mV 三角波 (D)輸出為 0,沒有波形產生
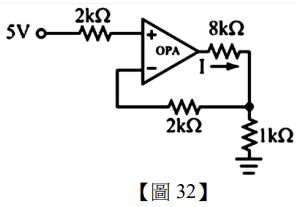
32.如【圖 32】所示,求電流 I 之大小為何?
(A) 1mA (B) 2.5mA (C) 5mA (D) 5.5mA
33.如【圖 33】所示電路,射極旁路電容器之主要功能為何?
(A)提高偏壓穩定度 (B)提高輸入阻抗 (C)保護電晶體(避免射極電流過大而燒毀) (D)提高交流信號的電壓增益
34.如【圖 34】所示為下列何種電路?
(A)微分器 (B)反相器 (C)比較器 (D)積分器
35.雙極性電晶體(BJT)放大器三種組態中,共集極放大器之特點為何? (A)電壓增益最小 (B)輸入阻抗最小 (C)輸出阻抗最大 (D)電流增益最小
36.如【圖 36】所示,求電壓增益為何?
(A) 2 (B) 3 (C) -1 (D) -0.5
37.如【圖 37】所示之電路為下列何種濾波電路?
(A)帶通濾波器 (B)帶拒濾波器 (C)高通濾波器 (D)低通濾波器
38.正反器可由下列何種電路來組成? (A)史密特觸發器 (B)無穩態多諧振盪器 (C)單穩態多諧振盪器 (D)雙穩態多諧振盪器
39.下列何者為 N 通道場效電晶體(FET)之電荷載子? (A)主載子為電洞、副載子為電子 (B)主載子為電子、副載子為電洞 (C)電子 (D)電洞
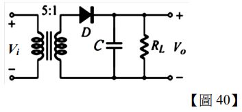
40.如【圖 40】所示電路(假設 C、值均很大),為 AC100V、60Hz 正弦波,則 約為何?
(A) 28V (B) 20V (C) 7V (D) 90V
41.如【圖 41】所示電路,假設 D 為理想二極體,輸入信號為 5kHz、峯對峯值為 20V 之方波(其 平均值為 0V),則輸出電壓的平均值為何?
(A) 0V (B) -11V (C) -6V (D) -2V
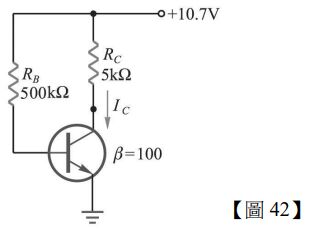
42.如【圖 42】所示電路,電晶體為矽質材料,工作於正常線性放大區域,求 值為何?
(A) 1mA (B) 2mA (C) 3mA (D) 4mA
43.有關振盪器的敘述,下列何者錯誤? (A)石英晶體振盪器的輸出頻率最穩定 (B) RC 相移振盪器至少需 3 級 RC 電路來做相移 (C)哈特萊振盪器的輸出是高頻方波 (D)韋恩電橋振盪器輸出是低頻弦波
44.如【圖 44】所示之電路,射極電壓約為何?
(A) 3V (B) 6.6V (C) 9.1V (D) 15.5V
45.如【圖 45】所示電路,求 大小為何?
(A) -3V (B) -4V (C) 2V (D) 5V
46.兩級串接放大電路,其電流增益分別為 =100,=150,若負載阻抗為 1kΩ,第一級輸入阻抗為 150kΩ,求電路總電壓增益的 db 值為何? (A) 20db (B) 30db (C) 40db (D) 100db
47.有關場效電晶體,下列敘述何者正確? (A) P 通道空乏型 MOSFET,閘極加上正電壓時,通道寬度變小 (B) N 通道增強型 MOSFET,閘極不加電壓時,通道內有電子,可供汲、源(D、S)極導通 (C) MOSFET 當開關使用時,轉換速率較雙極性電晶體快是其優點 (D) FET 構造較雙極性電晶體複雜,所以製成積體電路時,其包裝密度較低
48.當 NPN 電晶體操作於飽和區時,下列敘述何者正確? (A)(B)(C)(D)
49.如【圖 49】所示 OPA 電路,輸入信號 = 2+0.1sin(ωt+θ) V,假設 ωC 值趨近於無限大,則為何?
(A) 2+0.1sin(ωt+θ) V (B) 2+0.3sin(ωt+θ) V (C) 6+0.3sin(ωt+θ) V (D) 6+0.1sin(ωt+θ) V
50.如【圖 50】所示之電路(矽電晶體),約為多少?
(A) 0.2V (B) 9.5V (C) 12.3V (D) 20V