阿摩線上測驗
登入
首頁
>
圖學
> 105年 - 105 高等考試_三級_技藝(選試陶瓷)、技藝(選試木竹器)、技藝(選試染織):圖學#57773
105年 - 105 高等考試_三級_技藝(選試陶瓷)、技藝(選試木竹器)、技藝(選試染織):圖學#57773
科目:
圖學 |
年份:
105年 |
選擇題數:
0 |
申論題數:
4
試卷資訊
所屬科目:
圖學
選擇題 (0)
申論題 (4)
【已刪除】一、請依容器立體圖及左側視圖(圖 1)所示之尺度,以比例 1:1 繪製正投影視圖並標 註尺度;視圖包含前視圖、俯視圖、左側視圖(如圖所示)說明如下。(25 分)
1.前視圖以俯視圖水平中心線位置繪製全剖面,前視圖右側把手需繪製移轉剖視圖 (把手厚度皆為 2 mm),標註把手尺度時以中心線為依據。
2.俯視圖(省略虛線)。
3.左側視圖(如圖所示)。
【已刪除】二、請依下列(圖 2)上蓋等角圖所示之尺度,以比例 1:1 繪製正投影組合圖,圖 2 裝 配於圖 1 上面(相關的平面須貼合),前視圖需繪製虛線、俯視圖省略虛線、右側視 圖繪製半剖視。(組合後僅需標註三個最大尺度)(25 分)
【已刪除】三、請依下圖所示之尺度,以比例 1:1 繪製幾何圖形並標註尺度;A 為半徑 R20 內切於 上側寬 20 之圓弧與直徑φ 30 圓,B 為半徑 R85 外切於左右兩個直徑φ 30 圓。(不用 標註尺度)(25 分)
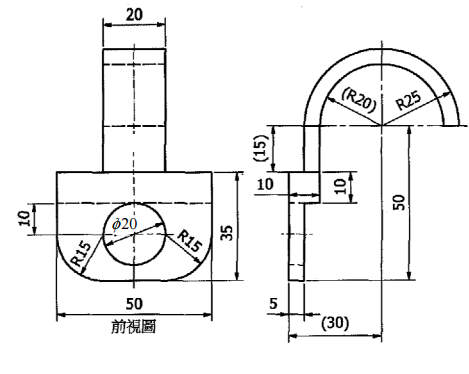
【已刪除】四、請依下列正投影視圖所示之尺度,以比例 1:1 繪製等角圖(非等角圖不予計分), 不必標註尺度,等角圖尺度誤差值超過正負 2 mm 處不計分,等角圖之視角必須能顯 示前視圖與右側視圖。(25 分)