阿摩線上測驗
登入
首頁
>
技師◆結構動力分析與耐震設計
> 104年 - 104年第二次結構動力分析與耐震設計#41201
104年 - 104年第二次結構動力分析與耐震設計#41201
科目:
技師◆結構動力分析與耐震設計 |
年份:
104年 |
選擇題數:
0 |
申論題數:
5
試卷資訊
所屬科目:
技師◆結構動力分析與耐震設計
選擇題 (0)
申論題 (5)
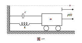
【已刪除】一、有一單自由度系統如圖一,其運動方程式為 m
(t ) + c
(t ) + kv (t ) = P0 sin
。只考穩態振動(Steady state),忽略暫態振動(Transient state)。試求其解。(25 分)
【已刪除】二、二 層 結 構 如 圖 二 , 令 梁 為 剛 體 ( Rigid beam ) , 柱 之 剛 度 ( Stiffness ) k
1
= k
2
= 50 k N cm ,求此結構之頻率(Frequencies)及振態(Modal shapes)。 (25 分)
【已刪除】 ⑴證明此構架之基底剪力(Base Shear)U 0(t ) =
ω
1
V
1
(t ) 式中 V
1
(t ) =
,m 為 N×N 質量矩陣, { 1}
T
= [1,1,......,1] 為 N×1 向量,ω1 、ξ1 分別為第一模態之頻率及阻尼比 T 1 (Damping ratio)。並假設 ξ1 很小。(15 分)
【已刪除】 ⑵令 φ
1
T
=
,證明最大基底剪力 |U 0 (t )|
max
之豎向分配至各樓層之 水平力
(10 分)
【已刪除】四、構架如圖四,以簡易懸臂梁法(Approximation of cantilever method)計算每一梁與 柱之端點彎矩。令柱之斷面積皆 1 m
2
。(25 分)