阿摩線上測驗
登入
首頁
>
機械設計
> 103年 - 103 高等考試_二級_機械工程:機械設計學#32386
103年 - 103 高等考試_二級_機械工程:機械設計學#32386
科目:
機械設計 |
年份:
103年 |
選擇題數:
0 |
申論題數:
6
試卷資訊
所屬科目:
機械設計
選擇題 (0)
申論題 (6)
【已刪除】一、一個 25°壓力角,25 齒的正齒輪具有 2 mm 的模數以及 45 mm 正面寬度,在 900 rpm 時運轉。齒輪採用 SAE 1040 鋼製造,其允許的靜態彎曲應力(Allowable static bending stress)為 172 MPa。若疲勞應力集中係數為 1.5,請使用路易斯方程式 (The Lewis formula),試求齒輪可允許的彎曲負載、最大的切線負載、以及齒輪 可傳遞的功率。(20 分)
解題參考公式及資料如下
:
下表提供一些常用全深齒的路易斯形狀係數值(Lewis form factor)以助求解
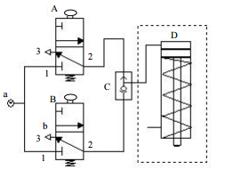
【已刪除】二、如下圖所示的氣壓系統中,請說明元件 A、B、C、D 的名稱及功能,以及符號 a、 b 的意義,並描述整個氣壓系統的動作方式。(20 分)
【已刪除】三、如下圖所示之雙面填角(Fillet both sides)熔接,若使用 E7014 焊條的抗拉降伏強 度(σyp)為 414 MPa,並且由最大剪應力理論(Maximum shear stress theory)決定的 安全因數(Factor of safety)等於 2.5,已知 P = 100 kN,a = 60 mm,h = 12 mm, 試求所需的熔接長度L(20 分)
【已刪除】四、如下所示為不同彈簧之示意圖,請寫出圖(A)~圖(E)分別所代表的彈簧名稱,並說 明每一彈簧在使用中主要承受的負載性質(例如:彎矩或扭矩)。(20 分)
⑴潤滑油的黏度(η)。
⑵摩擦力與磨耗能量。