阿摩線上測驗
登入
首頁
>
機械設計
> 103年 - 103 鐵路特種考試_員級_機械工程:機械設計概要#32428
103年 - 103 鐵路特種考試_員級_機械工程:機械設計概要#32428
科目:
機械設計 |
年份:
103年 |
選擇題數:
0 |
申論題數:
8
試卷資訊
所屬科目:
機械設計
選擇題 (0)
申論題 (8)
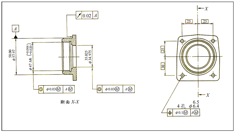
【已刪除】一、下圖所示為一軸承殼的機械工程圖,請依圖說明各幾何公差標示的意義為何?(14 分)
最大強度(Ultimate strength)
降伏強度(Yield strength)
疲勞強度(Fatigue strength),用 S-N 曲線(curve)來解釋
耐久極限(Endurance limit),用 S-N 曲線(curve)來解釋
三、請繪圖說明汽車碟式煞車器的作動原理。另請說明設計該碟式煞車器時,有那些方 法可以提高其煞車力。(20 分)
【已刪除】四、下圖所示為一凸輪傳動機構,設若外力 F
2
= 80 N 時達到靜力平衡,請計算凸輪軸轉 動力矩 T
1
(不必考慮摩擦)。(25 分)
【已刪除】五、下圖所示,已知填角熔接(Fillet weld)的負荷 P 與喉部面積之平均剪應力 τ 關係為 P = 0.707hLτ,所有熔接為 6 mm 之填角熔接,其熔接金屬降伏強度 σ
yp
= 34.5 MPa, 其安全因數為 3,試求負荷 P 之值為若干?(25 分)