阿摩線上測驗
登入
首頁
>
工程力學概要
> 102年 - 102 原住民族特種考試_四等_土木工程:工程力學概要#25830
102年 - 102 原住民族特種考試_四等_土木工程:工程力學概要#25830
科目:
工程力學概要 |
年份:
102年 |
選擇題數:
0 |
申論題數:
4
試卷資訊
所屬科目:
工程力學概要
選擇題 (0)
申論題 (4)
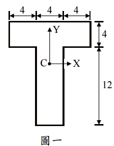
【已刪除】一、如圖一所示斷面,C 點為形心位置,尺寸的單位為 cm,試求斷面通過該形心的 X 軸及 Y 軸之面積慣性力矩 I
XX
及 I
YY
。(25 分)
【已刪除】二、如圖二所示一桁架結構,已知其 a 桿及 b 桿僅能夠承受拉力、不能承受壓力,試求 此桁架結構受力後 a 桿及 b 桿之內力。(25 分)
【已刪除】三、如圖三所示一靜定梁,試繪出該梁結構受力後之剪力圖及彎矩圖。(25 分)
【已刪除】四、如圖四所示一剛體 ABC,B 點使用一鉸接端,C 點則有一具 k
s
之線性彈簧。已知 A 點有一垂直力 2wL,AB 段有一施加在該段之均佈垂直力 w,試求此剛體挫屈時之 臨界載重 wcr。(25 分)