阿摩線上測驗
登入
首頁
>
建築圖學
> 101年 - 101 地方政府特種考試_四等_建築工程:建築圖學概要#32000
101年 - 101 地方政府特種考試_四等_建築工程:建築圖學概要#32000
科目:
建築圖學 |
年份:
101年 |
選擇題數:
0 |
申論題數:
10
試卷資訊
所屬科目:
建築圖學
選擇題 (0)
申論題 (10)
⑴一般標準 1/300 比例尺上一大格代表實際長度 100 公分,試問:繪製 1/3 比例的 建築施工大樣圖時,1/300 比例尺上一大格代表實際長度是多少公分?
⑵在建築平面圖中,「旋轉門」符號的畫法為何?
⑶建築施工圖中, f′
c
代表的意義為何?
⑷依 CNS 建築製圖標準中,圖號"S"表示為何?
【已刪除】⑸電氣設備圖中,"
"表示為何?
⑴太陽高度角為 45 度,方位角為 45 度;
⑵在陽台平面圖及立面圖上標示的尺規, 每格代表實際長度為 10 公分。(繪圖時,請參照圖一球體陰影的圖例,滿足四項 繪圖要求:
1.先繪製1/20 比例的陽台平面圖及立面圖,再於立面圖上繪製陰影;
2.陰面部分以鉛筆著色;
3.標示出陰面線;
4.立面圖的影子以 45 度斜直線填滿) (20 分)
【已刪除】三、請以圖三之三視圖繪製「等角立體圖」。(20 分)
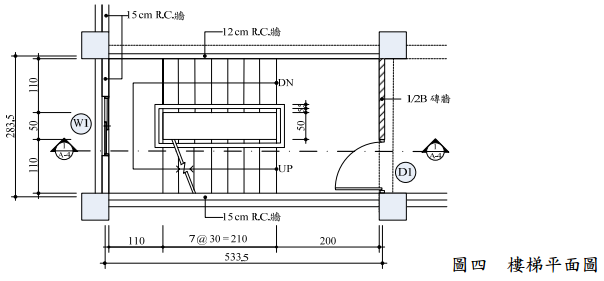
【已刪除】四、請依圖四樓梯平面圖,繪製 1/30 比例之鋼筋混凝土建築物標準層「樓梯剖面圖」 (即
圖),樓高 320 公分。(30 分)
【已刪除】五、請以足線法繪製圖五立方體的「一點透視圖」,繪圖過程中的足線請保留。 已知:立方體、畫面(P. P.)、視覺平行線(H. L.)、地平線(G. L.)、消失點(V. P.)、 視點(S. P.)之間的相對位置,如圖六所示。(10 分)
相關試卷
114年 - 114 地方政府公務、離島地區公務特種考試_四等_建築工程:建築圖學概要#134698
114年 · #134698
114年 - 114 普通考試_建築工程:建築圖學概要#128738
114年 · #128738
113年 - 113 地方政府公務特種考試_四等_建築工程:建築圖學概要#124363
113年 · #124363
113年 - 113 普通考試_建築工程:建築圖學概要#121118
113年 · #121118
112年 - 112 地方政府特種考試_四等_建築工程:建築圖學概要#118001
112年 · #118001
112年 - 112 普通考試_建築工程:建築圖學概要#115732
112年 · #115732
112年 - 112 鐵路特種考試_員級_建築工程:建築圖學概要#114920
112年 · #114920
111年 - 111 地方政府特種考試_四等_建築工程:建築圖學概要#112347
111年 · #112347
111年 - 111 普通考試_建築工程:建築圖學概要#109480
111年 · #109480
110年 - 110 地方政府特種考試_四等_建築工程:建築圖學概要#104833
110年 · #104833